Znajdź zawartość
Wyświetlanie wyników dla tagów 'HERMS' .
-
Witam, Jestem Paweł z Bielska-Białej. Zdecydowałem się podzielić z Wami moim małym marzeniem warzelnym a mianowicie stworzeniem od podstaw domowego browaru typu HERMS. Od 2-3 lat kompletuje narzędzia oraz sprzęt (i kasa, bo finansowo to też jest wyzwanie), a w tym roku 2023 był przełom i zacząłem walczyć w życiu prywatnym o budowę. Walka idzie różnie bo bycie swieżym ojcem nie jest łatwe! Chciałem także napisać taki post w którym postaram się zawrzeć jak najwięcej informacji których sam nie mogłem znaleźć żeby ktoś łatwiej niż ja mógł przejść proces budowy systemu. Założenia browaru: Browar domowy typu HERMS inspirowany naszymi braćmi z Ameryki ( https://shop.theelectricbrewery.com/pages/building-your-brewery ). Motywacją dodatkową dla mnie były tematy podobnego typu na forum. Użytkownik PiOtR https://piwo.org/forums/topic/25333-budowa-domowego-browaru/ oraz Browar Kamionka https://piwo.org/forums/topic/31540-mój-herms-browar-kamionka/ Sterowanie ręczne - nie chciałem bawić się w pełny albo chociaż częściowy automat ze względu na komplikacje projektowo-finansowe Wybicie około 50l ale plan jest by mniejsze warki też można byłoby uwarzyć. Pytanie czy moje zdolności manualne pozwolą na to Starałem się (z lepszym lub gorszym skutkiem) prowadzić kosztorys (kasa leci jak szalona)! Kwestie techniczne: Grzałki: Zarówno w HLT jak i w BK zastosowano grzałki 3x2 kW. SSRy sterujące to 40A Otwory w garnkach robiłem: pod grzałki otwornicami 40mm, pod zawory wykrojnikiem 20,4mm. Zdecydowałem się na system Camlocków od myfriendów. Szybkozłączki są za drogie w Polsce Czujniki temperatury: sprawdzone PT100. Regulatory Omrona, Timer MyPIN Pompy zakupiłem także Chińczyki - MP15RM x2 Węże silikonowe 12/18mm, wężownica HERMS od Pana Sławka z forum Do chłodzenia brzeczki zdecydowałem się na wymiennik ciepła 35 kW Fermentor Fermzilla All-Rounder - zdecydowała cena za zestaw. Długo się męczyłem czy by nie zakupić fermentora stożkowego - wygrały kwestie finansowe i techniczne (nie chce się jeszcze bawić w swoje drożdże, wolę skupić się na sprzęcie) Aktualnie zostało zrobione: Wykonano serce czyli "sterownik". Duża nazwa na szafkę elektryczną z bezpiecznikami, SSD i termoregulatorami PID Przygotowano miejsce na browar w piwnicy - lekki remont + malowanie + czyszczenie Wykonałem nową instalację elektryczną i oświetlenie Stolik z blatu który został po kuchni i stelaż z staregostołu - test obciążenia wykonany przeze mnie, 110 kg wytrzymało w najgorszym punkcie . Przykręciłem "sterownik" i podłączyłem zasilanie - kilka złych połączeń poprawiłem, parę rzeczy sprawdziłem ale raczej działa jak należy Wykonałem otwory w garnkach. Bawiłem się trochę z uszczelnieniem zaworów ale na tę chwile jest OK! Niestety zaskoczyła mnie grzałka bo lekko cieknie przy "lutach lub spawach" Cały projekt zacząłem od najprostrzej rzeczy czyli kompletowania materiałów. Na pierwszy strzał poszły CAMlocki i pompy - czyli główne rzeczy które musiały przyjść z Chin (ze względu na cenę). Podczas kompletowania innych składników wziąłem się za "sterownik" czyli panel elektryczny. Dla mnie najłatwiejsza sprawa bo na codzień w przemyśle pracuje nad podobnymi zagadnieniami. Panel elektryczny składa się z skrzynki elektrycznej (400x400x200) zakupionej na Allegro. Następnie rozrysowałem sobie w głowie i próbowałem przeliczać rozstawienie przycisków, lampek i regulatorów. Tutaj niestety nie poszło mi coś i niektóe przyciski zrobiłem zbyt blisko regulatorów. Niestety efekt końcowy widać na zdjęciu - opisy nie wejdą tak jak chciałem i nie ładnie to wygląda. Przy okazji, narysowałem schemat całej szafki i podłączyłem wszystko. Górne przyciski to włącz sterowanie (niebieski przycisk) i wyłącz sterowanie (czerwony). Po wpięciou wtyczki zasilającej włącza się zasilacz - dopiero po naciśnięciu przycisku następuje włączenie sterowania przez stycznik i podaje napięcia na regulatory i timer (może być też na grzałki). Dodałem to dla bezpieczeństwa by nie podało napięcia na pompy i grzałki bez mojej wiedzy jak tylko włożę wtyczke 3F do "kontaktu". Grzałki 6kW są sterowane przez SSRy, całość jest chłodzona przez radiatory u góry. Przyciski wierciłem otwornicą o wielkości 21-22mm. Wiertło wielostopniowe w moim przypadku nie dało rady, otwornica lepiej się do tego zdaje. Pod termoregulatory szlifierka kątowa z małą tarczą. Bezpieczniki, różnicówka i wszystkie połączenia wykonane w technlogii manualnej, kable-linka 0,75 do sterowania i 1,5 do obwodów siłowych. Kabel zasilania 4mm Garnki zakupiłem 3, BK, HLT i MLT, odpowiednio, gar do gotowania, gar do ciepłej wody i gar do zacieru. Wybicie będize około 50l, więc gary zakupiłem 70l. Wszystko w stali nierdzewnej. Cały osprzę hydrauliczny jest w rozmiarze 1/2 cala. Wszystkie otwory pod osprzęt wykonałem przy pomocy wykrojnika 20,4 mm. Idealny do takich zadań - wolałem mieć wykrojnik ponieważ pewność działania była dla mnie priorytetem. Grzałki zastosowane w garach to grzałki 6 kW o średnicy 5/4 cala. Do wykonania otwory wybrałem otwornice 40mm Bahco i noname 42mm. Polecam Bahco 40mm ale przy wycinanie otworu należy bezwzględnie użyć małych obrotów oraz chłodzenia. Uczcie się na moich błędach bo ja tego nie zrobiłem i zajechałem dwie otwornice! Pozostały osprzęt to: Pompy MP15RM od chinoli wraz z Camlockami typu B i F, gwint BSP o wielkości 1.2 cala Uszczelki silikonowe do spożywki do camlocków od chinoli Czujniki temperatury PT100 - do trójników PT100 6x25mm 1/2 a do BK taki sam tylko dłuższy Regulatory miałem OMRON i zakupiłem timer MYPINTIMER Hopstopper w Marxam.pl - nie wiem czy dalej handlują tym Wymiennik płytowy zakupiony na Allegro - moc 35 kW Wężownica HERMS od kolegi Sławka z Forum - fi12 ze ścianką 0,6 mm. Długość wężownicy minimum 12 metrów - ifnormacje od kolegi PiwoLab Węże silikonowe z Allegro 12/18mm, nypel do węży 1/2 cala, 13 mm Fałszywe dno miałem w pracy Wszystko jest skręcane, taśma teflonowa została użyta do uszczelnienia gwintów, oringi silikonowe 20x3,5mm, dodatkowo śrubki, trójniki itp itd. Aktualności 30.11.2023: umycie i powieszenie okapu nad BK jest moim nastepnym większym zadaniem powoli podłączam grzałki i termopary, poradziłem sobie z uszczelnieniem zaworów w kwesti zaworów zostały do wykonania otwory pod wężownicę i uszczelnienie ich w międzyczasie testuje"sterownik" i PIDy Do zrobienia (takie większe punkty) Uzbroić węże Sprawdzić działanie wszystkich komponentów "na mokro" - grzałki pompy, czujniki Umyć i zamontować okap nad BK i sprawdzić wentylacje Wykonać instalację wodną oraz sprawdzić działanie wymiennika ciepła Rozpakować Fermzilla all rounder Uwarzyć pierwszą warkę! Błędy i niedociągnięcia Panel "sterownika" źle wyszedł - za bardzo się skupiłem na calach i przeliczaniu niż na własnej głowie. Wyszło byle jak i to widać niestety. Dla moich potrzeb jednak wystarczy - działanie > efekt wizualny. Elektrycznie jednak zrobione wg sztuki i to cieszy! Pewnie kiedyś poprawię się wizualnie Garnki kupiłem jeden taki, dwa inne. Wolałbym jednak chyba 3 takie same. Różnica widoczna, bo ten co się świeci i błyszczy jest słabszy, z cieńszej blachy niż inne (cena też była mniejsza). Myślę jednak, że to tylko wada wizualna. Pewnie też coś wyskoczy więc dopiszę później Pozdrawiam z Bielska - Białej Paweł Mol
- 11 odpowiedzi
-
Cześć, wiem, że wątków o herms jest już co najmniej kilka. Niemniej jednak postanowiłem założyć kolejny tak żeby móc w jednym miejscu dopytać bardziej doświadczonych kolegów /koleżanki o sprawy, które dotyczą konkretnie mojej instalacji. Jestem aktualnie na ostatniej prostej jeśli chodzi o budowę warzelni. Pomysł padł na HERMS z garnków 3x50L. Złożyłem właśnie węże + złączki kamlock i chciałem sprawdzić szczelność i przepływ. O ile szczelność bez większych problemów o tyle przepływ 4L na minutę na samej wodzie to chyba coś mało, czy jest ok? Pompy MP-15RM, zawory 1/2 cala, wąż 21/15mm I wężownica w HLT 15m rurki 12x1mm. Martwić się czy to normalne? ?
-
Witam mam pytanie którą z pomp polecacie do przepompowywania brzeczki w HERMS'ie Pompy budżetowe: http://allegro.pl/pompa-magnetyczna-bldc-12v-do-plynow-obiegowa-i7097328919.html http://allegro.pl/pompa-co-obiegowa-cyrkulacyjna-25-40-uszczelki-ibo-i6966438845.html czy zwykła pompa do pralki. PS czy pompa do pralki nie będzie wprowadzała jakiś niepożądanych związków do brzeczki ?? No i chyba najlepszy wybór ale także najdroższy: https://pl.aliexpress.com/item/CE-Approved-50HZ-220V-Magnetic-Drive-pump-MP-10RN/760066872.html?src=google&albslr=118910333&isdl=y&aff_short_key=UneMJZVf&source={ifdyn%3Adyn}{ifpla%3Apla}{ifdbm%3ADBM&albch=shopping&acnt=494-037-6276&albcp=995084155&albag=47963453223&slnk=&trgt=298446817103&plac=&crea=pl760066872&netw=g&device=c&mtctp=&gclid=Cj0KCQiAkNfSBRCSARIsAL-u3X-Kj8sqCwBDV_Y9TU9gF1TbHNWrc3563JCs0ezimdH9SczQCmeLeb4aAtDHEALw_wcB Bardzo proszę o konstruktywne odpowiedzi (z wytłumaczeniem dlaczego tak dlaczego nie) Wiem że ten temat był wałkowany wiele razy, ale aukcje ciągle się zmieniają/znikają i rzadko da się trafić na polecany produkt z wyżej wymienionego powodu.
-
Witam, borykam się od jakiegoś czasu z myślami na temat hermsa. Chciałem to zlecić/kupić ale jednak zdecydowałem że sam podejmę się wykonania. Co prawda moje dotychczasowe projekty piwowarskie nie są spektakularne (zrobiłem pudła styropianowe do fermentacji, mieszadło magnetyczne i jakieś tam sraczwężyki) więc taki herms to jak wylot na księżyc ale powinno się udać (sterowanie do tego to już wylot na marsa ) Zakładam temat ponieważ są ludzie na forum którzy mają bardzo duże doświadczenie z budowy/użytkowania tego systemu więc liczę na ich cenne rady. Z góry dziękuję wszystkim za pomoc i cenne rady. System będzie złożony z 3 garów po 100L. Chcę mieć wybicie 50-70L. A ponieważ lubię wysoki ekstrakt 25-30 Blg to trochę zapasu się przyda. W garach będą przyspawane mufy - porty (spawanie będzie wykonane w firmie która ma doświadczenie w spawaniu elementów wykorzystywanych w branży spożywczej). Zawory 1/2'' trzyczęściowe. Węże na szybkozłączki Grzałki 5,5 kW na Tri-clampy Pozamawiałem już trochę dupereli na ali więc zanim przyślą to do tego czasu muszę ogarnąć garnki, wężownicę, fałszywe dno i spawanie mufek. I tutaj szereg pytań do doświadczonych kolegów. 1. Jaka grubość fałszywego dna dla gara 100L? 2. Jak długa wężownica, 15m czy więcej? 3. Jaką grubość powinny mieć ścianki w garnkach? Dostępne są 0,8 1 i 1,2mm. Czy grubość ma duże znaczenie w użytkowaniu, stracie ciepła itd. Na pewno ma znaczenie przy spawaniu 4. Jaki wymiar stołu do tego będzie potrzebny, mam ograniczone miejsce i trochę się tego boję. 5. Chłodnica - przeciwbieżna czy płytkowy wymiennik ciepła? Wymiennik podobno może się zapychać przez chmieliny ale nie mam doświadczenia bo jadę na zanurzeniowej w garnku emaliowanym Na razie tyle. pozdrawiam
-
witam wszystkich potrzebuje Waszej rady, w tej chwili warzę manualnie na 2 garach i wiadrze, ganek 33L jako kadź zacierno/filtracyjna i garnek 24L do warzenia, który służy też do grzania wody wysłodkowej (przelewanej później do wiadra). Chcę zainwestować w zbudowanie sobie systemu HERMS, na którego pomysł wpadłem gdy natrafiła się okazja kupienia solidnego gara ze stali nierdzewnej od bankrutującego pubu tutaj w UK. Gar ma 72 litry, i teraz tutaj potrzebuję pomocy/rady, otórz w jaki wielkościowo system pójść dalej, czy kupić dwa gary po 50L czy 72L czy 95L, dodam że z powodu lekkiego uszkodzenia transportu sklep oferujący gary (już z nawierconymi dziurami, filtrem, zaworem, i płynowskazem) ma garki 95L w cenie 72L a mają tylko większe rysy i malutkie wgięcia, co mi nie przeszkadzałoby a cena sporo niższa, tylko cały czas się głowię czy taka pojemność to nie za dużo, bo wiadomo dużo wody, to mocniejsze grzałki, więcej prądu, więcej czasu etc. interesuje mnie Wasze spojrzenie, czy lepiej pójść w mniejszy system czy lepiej w większy, każda rada mile widziana
-
Witam, Po kilku warkach uwarzonych w kuchni w garze 30l emalia, chciałbym przenieść się do piwnicy. Ciężko jest mi się zdecydować jaki system wybrać dlatego ośmieliłem się napisać o tym na forum. Ale do rzeczy: Po pierwsze: jeszcze niczego nie zainwestowałem więc wszelkie sugestie i pomysły na pewno rozważę. Po drugie: Nie chciałbym od razu wydawać góry pieniędzy na system typ HERMS/RIMS jednak chciałbym to zrobić mądrze i ekonomicznie, jednocześnie mając możliwość późniejszej rozbudowy. Głównie rozchodzi mi się o typ ogrzewania. Co wybrać gazowe( wtedy zakup taboretu gazowego + butla 11kg) lub nastawić się na ogrzewanie elektryczne ( wtedy zakup grzałki ). Wiem że elektryczne ogrzewanie daje ten + że można łatwo podpiąć sterownik i mieć idealne sterowanie temperaturą. Jednak co z rdzewiejącymi grzałkami, przypaleniem, myciem tego, oraz kosztami energii elektrycznej. Ogrzewanie gazowe -> tutaj problem z sterowaniem temperatur. Bardzo proszę o zasugerowanie na co się nastawić na gazówkę czy ogrzewanie elektryczne - głównie chodzi o koszt oraz wygodę? Mam pomysł taki, aby na początek zainwestować w keg 50l. Tylko teraz co dalej? Na początku chciałbym po prostu używać kega jak do tej pory garnka emaliowego z tą różnicą że chciałbym już go ulepszy o możliwość wysładzania wprost po zacieraniu ( jak to ma miejsce w HERMS). Tylko jak to wszystko zrobić gdzie wiercić dziury gdzie dać zawory jak to popodłączać itp. Oraz przy gazowym graniu wiem że stawiam kega na taboret i jest ok, ale jak to zrobić z grzałką aby nie poprzypalać? W przyszłości ten keg miałby służyć jako MLT w HERMS'ie. Mam do wydania na ten sezon ok. 400 zł. (więc keg + ogrzewanie + sprzęt do wysładzania ) Mam nadzieję na przyszły sezon znowu coś dołożyć itd, w konsekwencji chciałbym uzyskać system HERMS z 3 kegami 50l, a potem może jakiś sterownik do tego wszystkiego. Dlatego się radze i pytam od czego zacząć żeby nie wyrzucać pieniędzy w błoto. Reasumując, przenoszę się z browarem do piwnicy, potrzebuję zdecydować się na rodzaj ogrzewania, oraz chcę powoli dodając kolejne elementy zbudować zestaw HERMS lub coś podobnego. Proszę o pomoc.
-
Poszukuję szybkozłączy do HERMS'a i znalazłem 3 typy tego typu złącz. złącza kłowe szybkozłącze NITO szybkozłącze STORZ Problem pojawia się przy cenie. Złącza wykonane z mosiądzu kosztują jakieś 10x mniej niż złącza ze stali nierdzewnej. Każde z tych złącz, przy zakupie ze stali nierdzewnej kosztuje jakieś 150zł za 1 element co oznaczałoby bankructwo:) Stąd moje 2 pytania: 1. kojarzy ktoś szybkozłącza ze stali w rozsądnej cenie? 2. Czy mosiądz chromowany nada się do instalacji w której styczność będzie z brzeczką?
- 2 odpowiedzi
-
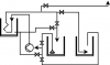
Jako kolejna osoba staram się dogonić uciekającego „zająca” w piwowarstwie domowym, a kolejnym krokiem będzie zbudowanie pół-automatycznego browaru typu HERMs z wybiciem 80l. Zastanawiam się cały czas gdzie kończy się tradycyjne warzenie piwa, i gdzie jest ten „1 krok za daleko” żeby odebrać sobie przyjemność z samego warzenia, a rozpocząć proces odbębnienia „Warki” przez kliknięcie kilku guzików. Myślę, że sam muszę się przekonać czy typ browaru domowego który chce skonstruować będzie dawać jeszcze tą przyjemność co zasuwanie z garami:) Piszę ten post żeby podzielić się swoim pomysłem i przedstawić proces warzenia HERMS w jednym miejscu, ale również żeby uzyskać kilka odpowiedzi na pytania od użytkowników którzy przeszli już na taki system warzenia. W załączeniu, nieco prymitywny (ale za to myślę czytelny) schemat browaru który chce skonstruować. Poniżej przebieg procesu którym się sugerowałem. (schemat browaru i sterownika w załączeniu) Części: --- Kadź pierwsza –(HLT) (elektryczny) - Ogrzewana grzałką bojlera o mocy 10000W - zamontowana wężownica miedziana z rury miękkiej fi15mm i długości 10mb 20mb - zamontowany „termometr 1”, sprawdzający temperaturę wody w HLT - 3 otwory techniczne z wyprowadzeniem rury fi15mm na zewnątrz kotła --- Kadź druga – (MLT) - zamontowane fałszywe dno ze stali kwasoodpornej, grubość 2mm - Zamontowana deszczownica ( z rurek miedzianych, lub okrągły zbiornik z dolną częścią w postaci fałszywego dna) - zamontowany „termometr 2” sprawdzający temperaturę zacieru - 3 otwory techniczne z wyprowadzeniem rury fi15mm na zewnątrz kotła --- Kadź trzecia (kocioł do chmielenia) (taboret gazowy) -1 otwór techniczny z wyprowadzeniem rury fi15mm na zewnątrz kotła - zamontowany „termometr 3” sprawdzający temperaturę brzeczki - „wyciąg” gorącej brzeczki z kwasoodpornej stali fi 15mm, wychodzący przez górną część kotła Ponadto: - wymiennik płytowy (24/32 płyty) - 2 pompy dwukierunkowe - fermentator - filtr z siatki nierdzewnej 0,2mm (przed fermentatorem) - zawory kulowe 3-drogowe (zaznaczone jako podwójna strzałka) --- sterownik - wskazania z wszystkich 3 termometrów - Włącznik grzałki z kadzi nr 1 - włączniki pomp 1 i 2 z określeniem kierunku przepływu - wyłącznik główny Zasada działania Woda trafia do kadzi 1, gdzie jest podgrzewana przez grzałkę elektryczną do temperatury zacierania, a następnie przepompowywana jest do kadzi nr 2 (pompa 1) gdzie trafia poprzez deszczownicę. Po przelaniu wody kadź 1 ponownie napełniana jest wodą której temperatura podnoszona jest do temperatury zacierania. Temperatura zacierania pilnowana jest na podstawie termometru 1 i 2. Po otrzymaniu odpowiedniej temperatury zawory między kadzią 1 i 2 zostają obrócone. Pompa 1 zostaje włączona z odwrotnym kierunkiem pompowania niż początkowo przez co brzeczna trafia do wężownicy, a następnie podgrzana przez deszczownice z powrotem do kadzi 2. Po przeprowadzeniu procesu zacierania brzeczka zostaje odpompowana (pompa 2) do kadzi 3. Wysładzanie Podgrzana woda (kadź 1) zostanie przepompowana (pompa 1) do kadzi 2, przez deszczownicę. Po przefiltrowaniu przez zacier, zostaje odpompowywana (pompa 2) do kadzi 3. Proces ciągły. Chmielenie Po przepompowaniu wysłodzonej brzeczki do kadzi 3, rozpoczyna się gotowanie i chmielenie brzeczki. Zasilanie – Taboret gazowy. Po zakończeniu chmielenia, brzeczka odpompowana jest przez wymiennik płytowy bo fermentatora, przepływając w pierwszej kolejności przez filtr z siatki ze stali nierdzewnej. Wygląda to całkiem przyjemnie. Wg wstępnych obliczeń koszt takiego browaru wyniesie 2000-2500pln przy założeniu 3 kadzi 80l. Pytania i wątpliwości - jakie są wasze wrażenia CZYSZCZENIA takiego sprzętu. Sam proces warzenia jest bardzo ułatwiony, ale jak to wygląda z czyszczeniem i dezynfekcją? - czy macie jakieś sugestie, albo pominięte procesy które powinienem ująć? - Co sądzicie o wielkości kadzi? Czy wszystkie powinny mieć 80l, czy może któraś powinna być mniejsza/większa – zakładając wybicie na poziomie 60l jednorazowo? Mam nadzieję, że opracowanie się podobało:)
-
Cześć! Długo się zastanawiałem, czy założyć ten wątek, ale stwierdziłem, że skoro sam większość wiedzy zaczerpnąłem z Internetu, to być może komuś w jakiś sposób przydadzą się moje doświadczenia. Moja przygoda z piwem zaczęła się stosunkowo niedawno, ale już po kilku warkach wykonanych "ręcznie", na palniku w kuchni, postanowiłem coś z tym zrobić. Nie chciałem inwestować od razu góry pieniędzy, postanowiłem zrobić wszystko sam, w dodatku używając do tego części, które już mam. Zacznę od efektów: piwo wychodzi o wiele bardziej klarowne, niż wykonane ręcznie, z przepisu obliczonego na 20l wychodzi około 17l - więc nie jest źle. Piwo wizualnie prezentuje się tak: Całość "projektu" potraktowałem raczej jako prototyp. Chciałem sprawdzić, czy projekt instalacji, zbudowany o informacje zdobyte głównie w Internecie oraz własne przemyślenia, będzie funkcjonował. Miałem "na stanie" to, co każdy domowy piwowar: wiaderka z tworzywa, duży garnek do warzenia, chłodnica z rurki miedzianej i ... tyle. Lista zakupów, nie licząc narzędzi potrzebnych do poskładania tego (palniki, cyna, itp) to: - rurki miedziane, trójniki, kolana, redukcje, - zawory, - pompa. Projekt instalacji, być może niezbyt czytelny (jeśli będą pytania, chętnie opiszę każdy element, na razie załączam poglądowo): Po kilku wizytach w sklepie hydraulicznym, powstały pierwsze przymiarki. z każdym dniem przyszły HERMS nabierał formy Trochę obawiałem się małego przekroju chłodnicy, ale wszystko się sprawdziło. Tutaj widok po "zainstalowaniu" jej w wymienniku: Wszystkie zawory przeniosłem do jednego miejsca. Chciałbym wykorzystać ten panel w docelowej instalacji (tak, jak mówiłem, to jest prototyp Całość instalacji prezentuje się następująco: Niestety, nie wygląda to zbyt pięknie, ale pracuje OK. To, czego nie widać na zdjęciach: 1. Kontroler temperatury: sterownik firmy F&F, z czujnikiem na długim, izolowanym kablu. Wkładam go po prostu do wody w wymienniku. 2. Grzałki. 2KW. Załączane oddzielnie (jedna w wymienniku, druga w garze warzelnym). Czujnik na czas warzenia przekładam do gara i podnoszę temperaturę. 3. Odpowietrznik (na szczycie rury prowadzącej do wymiennika) 4. Rurki wprowadzone do gara warzelnego są ułożone w ten sposób, że załączenie obiegu powoduje powstanie whirlpoola. Sprawdza się wyśmienicie. Oprócz kilku elementów które byłem w stanie zmodyfikować na prototypie, chciałbym zbudować trochę lepszy model - oparty na nierdzewce, dołożyć mieszadło i parę innych detali (np łatwiejszy demontaż poszczególnych pojemników). Jeśli mi się uda i będą zainteresowani - wszystko opiszę. Jeśli ktoś dotarł aż do tego miejsca - opiszę jeszcze pokrótce, jak to działa: 1. Wlewam wodę do wymiennika (górny pojemnik). Ustawiam żądaną temperaturę i załączam grzałkę. 2. Po osiągnięciu zadanej temperatury, gorąca woda jest zlewana (grawitacyjnie) do pojemnika zaciernego. 3. Uruchamiam pompę i dolewam wody do wymiennika. 4. Po osiągnięciu odpowiedniej temperatury wody w pojemniku zaciernym wsypuję słody. 5. Raz na jakiś czas muszę ręcznie przemieszać brzeczkę i ew. podnieść temperaturę na sterowniku. 6. Przepompowuję brzeczkę do gara warzelnego 7. Woda w wymienniku powinna mieć temperaturę odpowiednią lub zbliżoną do wymaganej przy wysładzaniu - grawitacyjnie zlewam ją do pojemnika zaciernego (ew dogrzewam wcześniej). Pracująca pompa przelewa wysłodziny na bieżąco do gara warzelnego. 8. uruchamiam grzałkę w garze warzelnym, dodaję w odpowiednich momentach chmiele itp -pompa stop- 9. Na kilka minut przed końcem warzenia uruchamiam pompę (sterylizacja) 10. Zimna woda do wymiennika, studzenie (whirlpool), po osiągnięciu odpowiedniej temperatury - zlewanie do fermentora Cały proces trwa około 5-6h. Najbardziej czasochłonne jest wstępne rozgrzewanie. Gdyby wykorzystać ciepłą wodę po studzeniu poprzedniej warki, można by startować z następną Zdaję sobie sprawę z wad plastikowych pojemników, zastosowanej pompy czy zaworów. Chciałem się podzielić swoim pomysłem, może ktoś na nim skorzysta. Całość nie wychodzi drogo, a efekty myślę, że są tego warte Pozdrawiam wszystkich piwowarów. Sławek
-
Zamierzam zamówić sito, które ma pełnić rolę filtrującego fałszywego dna w systemie HERMS. Będzie zainstalowane w kegu 50l. Otwór w nim ma średnicę ok. 27 cm, także planuję zamówienie sita o zbliżonym wymiarze. Obecny filtrator jest zrobiony z ponacinanych rurek miedzianych (4 rurki długości ok. 25 cm) i niestety, szczególnie przy warzeniu pszenicy potrafi kompletnie się zapchać. Mam prośbę do szanownych Kolegów - czy moglibyście doradzić, parametry powinno mieć sito. Chodzi mi o: - grubość blachy (myślę o 2 mm), - szerokość i odstęp szczelin (pomiędzy sobą, jak i odstęp pomiędzy rządkami nacięć). Patrząc na wypowiedzi na forum szerokość nacięć powinna być między 1 a 1,5 mm (raczej 1 mm), długość 2-5 cm, odstęp między nacięciami 2 cm, odstęp między rządkami 2-5 cm.
-
Z albumu: Browar In The Garage
Instalacja czeka jeszcze na termometr, który muszę zlutować. Kupiłem termometr elektronizny z dwoma czujnikami. Niestety zestaw do lutowania Czytam teraz poradniki na temat lutowania -
Z albumu: sziszi warzy! zdjęcia browaru
Mój stary browar
